Introduction to Explosion proof Control Box
BDK61Instructions for using explosion-proof electrical control box products:
BDK61The models of explosion-proof electrical control boxes include:BDK61-20、BDK61-40、BDK61-60Equivalent model。BDK61Explosion proof mark for explosion-proof electrical control boxExdIICT4,Used as an electrical control on explosion-proof electric hoists。
防爆控制箱说明
Product Name:BDK61隔爆type电气控制箱
Alias:防爆葫芦电器箱电气柜
Model specifications:BDK61type
Category:防爆电气
Product origin:Changyuan, Xinxiang, Henan
Non standard customization:Undertake non-standard manufacturing
Is it in stock:Partial spot goods
production cycle :3~7day
Packaging form:协议包装
Scope of Supply:nationwide
mode of service:Self pickup or agency consignment
Is it installed:Install separately
防爆控制箱图片

防爆控制箱参数
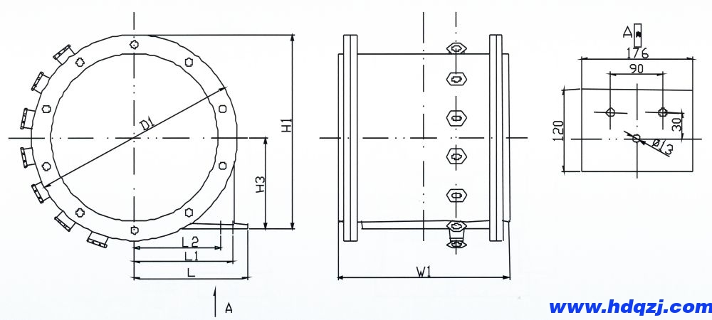
BDK61隔爆type电气控制箱外形安装尺寸图

BDK61隔爆type电气控制箱technical parameter表
| model 尺寸 | D1 | H1 | W1 | H3 | L | L1 | L2 | 出线口数量 | weight |
| BDK61-20 | 315 | 290 | 263 | 128 | 183 | 153 | 123 | 7 | 46kg |
| BDK61-40 | 375 | 316 | 280 | 128 | 217 | 187 | 157 | 7 | 55kg |
| BDK61-60 | 500 | 377 | 290 | 130 | 278 | 248 | 218 | 7 | 118kg |
防爆控制箱说明:
防爆电气箱内主要电气元件(contactor)可选配定制,主要品牌有:chint 、day水长城、人民电器、德力西、西门子、ABB、施耐德、台邦etc.国产进口品牌。更多防爆隔爆typeElectric hoist、防爆单双梁桥Gantry crane电气控制箱(电气控制柜)货源产地、Manufacturer、Model specifications、technical parameter、Explosion proof level、Product characteristics, usage, and selection、Working principle and installation and maintenance、Please contact us for common troubleshooting and safety precautions。




















